Разпределители с пневматично управление AZ PNEUMATICA

Начало / Пневматика / Разпределители / Разпределител 324 MC, 3/2, 1/2"
Обратно

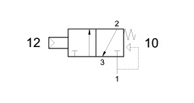
Разпределител 324 MC, 3/2, 1/2"

Продуктов номер: 02.001.4

Технически данни

Номинален диаметър (DN):    13 mm
Номинален дебит при 6 bar (QN):    4600 Nl/min
Работна температура:    max + 60°C
Работно налягане:    2.5... 10 bar
Управляващо налягане:   2.5…10 bar
Време за превключване:    TRA (14): 24 ms;  TRR (12): 43 ms
Работен флуид:     50 µm филтриран, омаслен или неомаслен въздух


© 2022 Master Всички права запазени!
Web Design & SEO by Zashev
Back To Top