Пневматика

Начало / Пневматика / Разпределители / Разпределител 322 MC, 3/2, 1/4"
Обратно

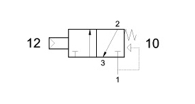
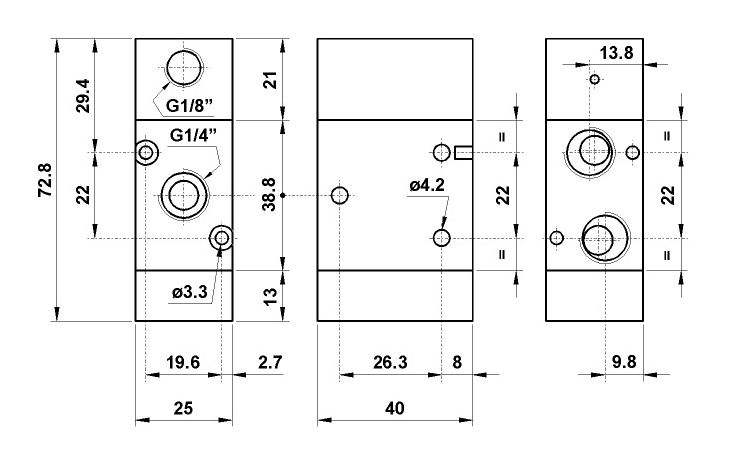
Разпределител 322 MC, 3/2, 1/4"

Продуктов номер: 01.022.4

Технически данни

Номинален диаметър (DN):   7.5 mm
Номинален дебит при 6 bar (QN):   1100 Nl/min
Работна температура:    max + 60°C
Работно налягане:    max 10 bar
Управляващо налягане:   2.5…10 bar
Време за превключване:    TRA (14): 7 ms;  TRR (12): 15 ms
Работен флуид:     50 µm филтриран, омаслен или неомаслен въздух


© 2022 Master Всички права запазени!
Web Design & SEO by Zashev
Back To Top